Артикул: 00000073695
2 151 руб.
150
6.3
C
Ст.20
IV
ГОСТ 34785-2021
ОНИКС
260
8
7.3
191
4
225
142
18
171
16
14
1
шт
Да
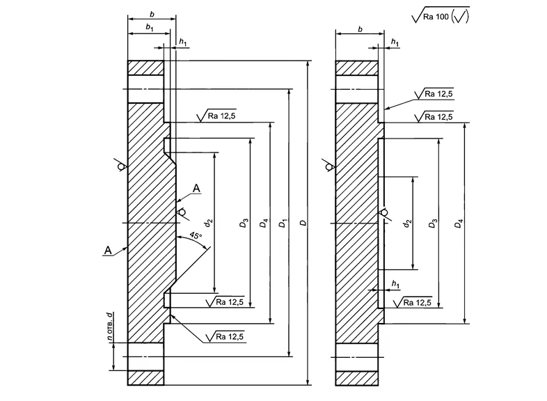
Фланцевая заглушка по ГОСТ 34785-21 в исполнении C применяется для герметичного отсечения участков труб и резервуаров. Деталь имеет форму диска с диаметром 150 мм и отверстиями под крепежные элементы (болты, шпильки). Размер резьбового крепежа определяют по диаметру болтового отверстия (указан в описании товара).
Заглушка рассчитана на эксплуатацию в системах с давлением 6.3 кгс/см2. Заглушка выполнена согласно действующим стандартам из стали Ст.20. Склады компании располагаются в Москве, Санкт-Петербурге и Екатеринбурге. Закажите товар от производителя с доставкой в любой регион России.
