Артикул: 00000073092
13 228 руб.
250
40
E
09Г2С
IV
ГОСТ 34785-2021
ОНИКС
445
12
385
46
312
4
244
33
42
40
1
шт
Да
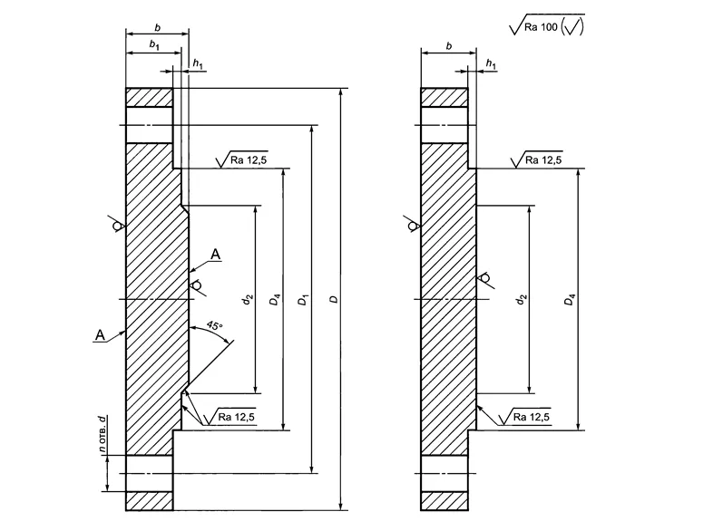
Фланцевая заглушка по ГОСТ 34785-21 в исполнении E применяется для герметичного отсечения участков труб и резервуаров. Деталь имеет форму диска с диаметром 250 мм и отверстиями под крепежные элементы (болты, шпильки). Размер резьбового крепежа определяют по диаметру болтового отверстия (указан в описании товара).
Заглушка рассчитана на эксплуатацию в системах с давлением 40 кгс/см2. Заглушка выполнена согласно действующим стандартам из стали 09Г2С. Склады компании располагаются в Москве, Санкт-Петербурге и Екатеринбурге. Закажите товар от производителя с доставкой в любой регион России.
