Артикул: 00000073838
9 716 руб.
300
16
E
Ст.20
IV
ГОСТ 34785-2021
ОНИКС
460
12
410
32
363
5
294
26
28
25
1
шт
Да
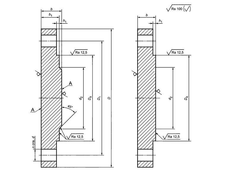
Фланцевая заглушка по ГОСТ 34785-21 в исполнении E применяется для герметичного отсечения участков труб и резервуаров. Деталь имеет форму диска с диаметром 300 мм и отверстиями под крепежные элементы (болты, шпильки). Размер резьбового крепежа определяют по диаметру болтового отверстия (указан в описании товара).
Заглушка рассчитана на эксплуатацию в системах с давлением 16 кгс/см2. Заглушка выполнена согласно действующим стандартам из стали Ст.20. Склады компании располагаются в Москве, Санкт-Петербурге и Екатеринбурге. Закажите товар от производителя с доставкой в любой регион России.
