Артикул: 00000073384
300
160
J
Ст.20
IV
ГОСТ 34785-2021
ОНИКС
585
294
180
380
410
14
500
45
4
100
97
23
1
шт
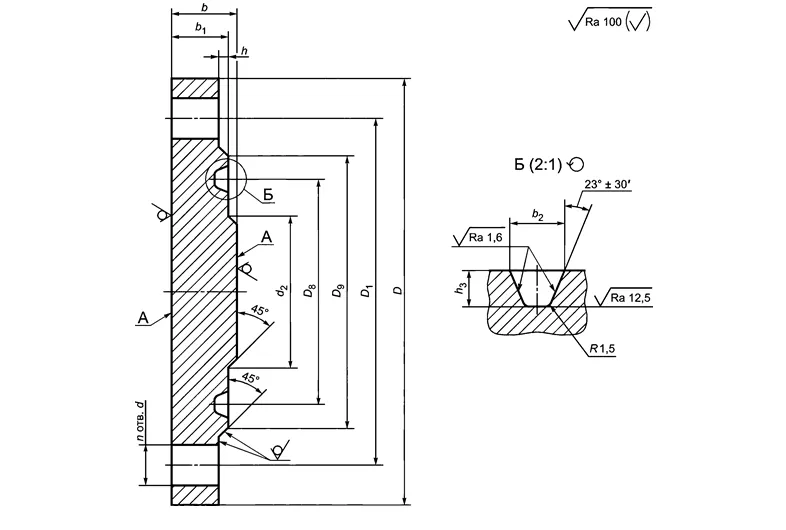
Фланцевая заглушка по ГОСТ 34785-21 в исполнении J применяется для герметичного отсечения участков труб и резервуаров. Деталь имеет форму диска с диаметром 300 мм и отверстиями под крепежные элементы (болты, шпильки). Размер резьбового крепежа определяют по диаметру болтового отверстия (указан в описании товара).
Заглушка рассчитана на эксплуатацию в системах с давлением 160 кгс/см2. Заглушка выполнена согласно действующим стандартам из стали Ст.20. Склады компании располагаются в Москве, Санкт-Петербурге и Екатеринбурге. Закажите товар от производителя с доставкой в любой регион России.
