Артикул: 00000074059
350
16
F
12Х18Н10Т
IV
ГОСТ 34785-2021
ОНИКС
520
344
16
44
422
4
470
430
26
4
30
1
шт
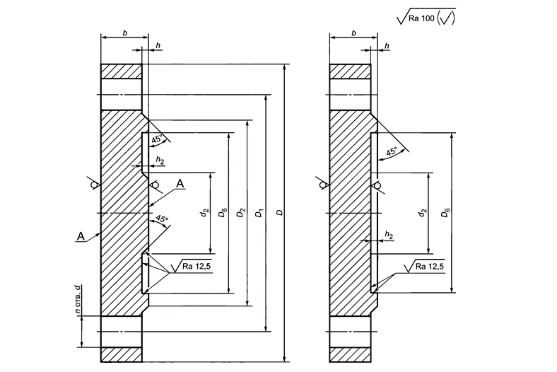
Фланцевая заглушка по ГОСТ 34785-21 в исполнении F применяется для герметичного отсечения участков труб и резервуаров. Деталь имеет форму диска с диаметром 350 мм и отверстиями под крепежные элементы (болты, шпильки). Размер резьбового крепежа определяют по диаметру болтового отверстия (указан в описании товара).
Заглушка рассчитана на эксплуатацию в системах с давлением 16 кгс/см2. Заглушка выполнена согласно действующим стандартам из стали 12Х18Н10Т. Склады компании располагаются в Москве, Санкт-Петербурге и Екатеринбурге. Закажите товар от производителя с доставкой в любой регион России.
