Артикул: 00000073263
1 108 руб.
40
10
F
Ст.20
IV
ГОСТ 34785-2021
ОНИКС
145
36
4
2
76
3
110
88
18
3
18
1
шт
Да
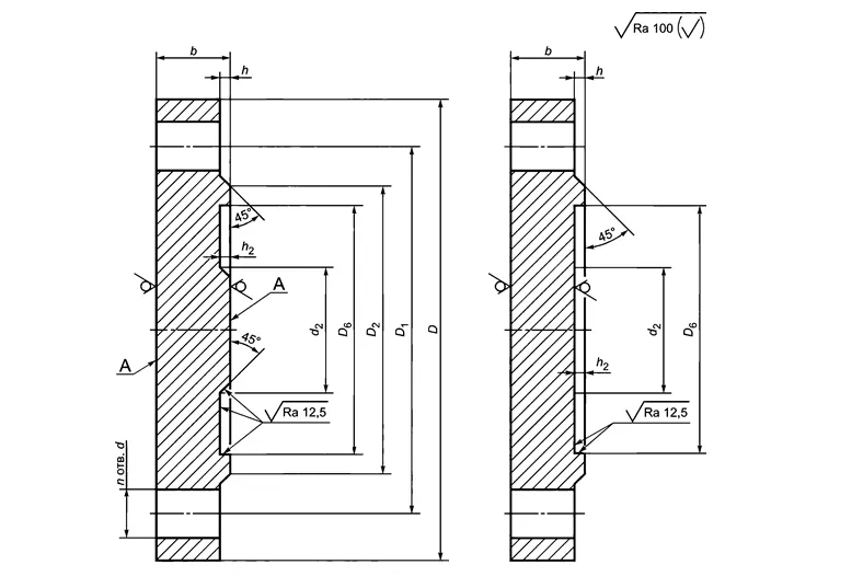
Фланцевая заглушка по ГОСТ 34785-21 в исполнении F применяется для герметичного отсечения участков труб и резервуаров. Деталь имеет форму диска с диаметром 40 мм и отверстиями под крепежные элементы (болты, шпильки). Размер резьбового крепежа определяют по диаметру болтового отверстия (указан в описании товара).
Заглушка рассчитана на эксплуатацию в системах с давлением 10 кгс/см2. Заглушка выполнена согласно действующим стандартам из стали Ст.20. Склады компании располагаются в Москве, Санкт-Петербурге и Екатеринбурге. Закажите товар от производителя с доставкой в любой регион России.
