Артикул: 00000074104
6 591 руб.
40
160
J
12Х18Н10Т
IV
ГОСТ 34785-2021
ОНИКС
165
36
4
75
88
6.5
125
22
3
30
28
9
1
шт
Да
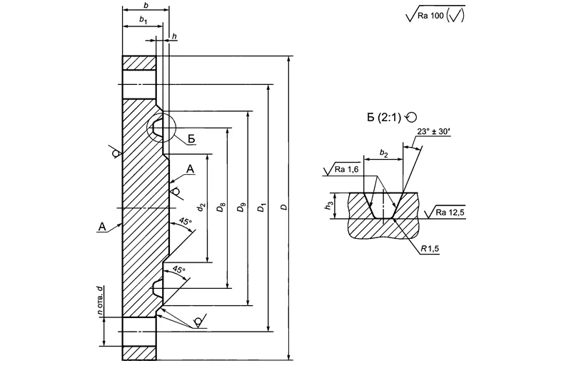
Фланцевая заглушка по ГОСТ 34785-21 в исполнении J применяется для герметичного отсечения участков труб и резервуаров. Деталь имеет форму диска с диаметром 40 мм и отверстиями под крепежные элементы (болты, шпильки). Размер резьбового крепежа определяют по диаметру болтового отверстия (указан в описании товара).
Заглушка рассчитана на эксплуатацию в системах с давлением 160 кгс/см2. Заглушка выполнена согласно действующим стандартам из стали 12Х18Н10Т. Склады компании располагаются в Москве, Санкт-Петербурге и Екатеринбурге. Закажите товар от производителя с доставкой в любой регион России.
