Артикул: 00000072527
1 134 руб.
40
40
F
09Г2С
IV
ГОСТ 34785-2021
ОНИКС
145
36
4
2
76
76
3
3
110
88
18
88
3
18
3
1
шт
Да
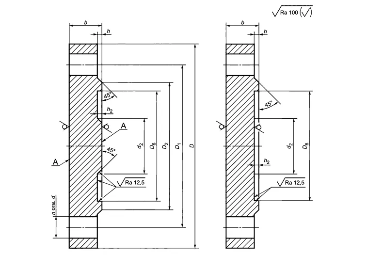
Фланцевая заглушка по ГОСТ 34785-21 в исполнении F применяется для герметичного отсечения участков труб и резервуаров. Деталь имеет форму диска с диаметром 40 мм и отверстиями под крепежные элементы (болты, шпильки). Размер резьбового крепежа определяют по диаметру болтового отверстия (указан в описании товара).
Заглушка рассчитана на эксплуатацию в системах с давлением 40 кгс/см2. Заглушка выполнена согласно действующим стандартам из стали 09Г2С. Склады компании располагаются в Москве, Санкт-Петербурге и Екатеринбурге. Закажите товар от производителя с доставкой в любой регион России.
