Артикул: 00000071705
1 206 руб.
50
25
E
09Г2С
IV
ГОСТ 34785-2021
ОНИКС
160
4
125
87
4
46
18
20
17
1
шт
Да
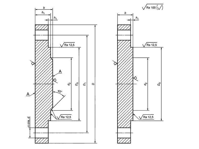
Фланцевая заглушка по ГОСТ 34785-21 в исполнении E применяется для герметичного отсечения участков труб и резервуаров. Деталь имеет форму диска с диаметром 50 мм и отверстиями под крепежные элементы (болты, шпильки). Размер резьбового крепежа определяют по диаметру болтового отверстия (указан в описании товара).
Заглушка рассчитана на эксплуатацию в системах с давлением 25 кгс/см2. Заглушка выполнена согласно действующим стандартам из стали 09Г2С. Склады компании располагаются в Москве, Санкт-Петербурге и Екатеринбурге. Закажите товар от производителя с доставкой в любой регион России.
