Артикул: 00000073960
30 204 руб.
500
16
B
Ст.20
ГОСТ 34785-2021
ОНИКС
4
33
710
20
650
115
585
490
41
38
1
шт
Да
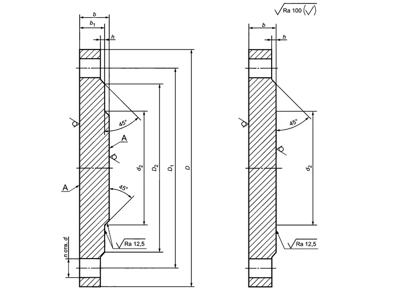
Фланцевая заглушка по ГОСТ 34785-21 в исполнении B применяется для герметичного отсечения участков труб и резервуаров. Деталь имеет форму диска с диаметром 500 мм и отверстиями под крепежные элементы (болты, шпильки). Размер резьбового крепежа определяют по диаметру болтового отверстия (указан в описании товара).
Заглушка рассчитана на эксплуатацию в системах с давлением 16 кгс/см2. Заглушка выполнена согласно действующим стандартам из стали Ст.20. Склады компании располагаются в Москве, Санкт-Петербурге и Екатеринбурге. Закажите товар от производителя с доставкой в любой регион России.
