Артикул: 00000072627
3 529 руб.
80
160
J
09Г2С
IV
ГОСТ 34785-2021
ОНИКС
230
76
10.6
130
150
8
180
26
3
40
38
12
1
шт
Да
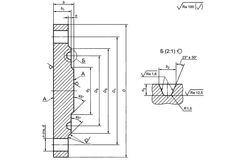
Фланцевая заглушка по ГОСТ 34785-21 в исполнении J применяется для герметичного отсечения участков труб и резервуаров. Деталь имеет форму диска с диаметром 80 мм и отверстиями под крепежные элементы (болты, шпильки). Размер резьбового крепежа определяют по диаметру болтового отверстия (указан в описании товара).
Заглушка рассчитана на эксплуатацию в системах с давлением 160 кгс/см2. Заглушка выполнена согласно действующим стандартам из стали 09Г2С. Склады компании располагаются в Москве, Санкт-Петербурге и Екатеринбурге. Закажите товар от производителя с доставкой в любой регион России.
