Артикул: 00000069768
1 435 руб.
6
II
Т-ММ-25-01-06
ОНИКС
70
0.512
59
4
2
3
45
60
40
9
21
28
14
8
шт
Да
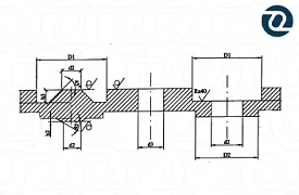
Когда возникает потребность временно отсечь часть трубопровода, используется заглушка поворотная из стали Ст.20. Она имеет только два режима работы: закрытый и открытый. Изделие соответствует стандарту Т-ММ-25-01-06, другое название детали — обтюратор. Арматура фиксируется между фланцами 32 с помощью шпилек или болтов и имеет исполнение II, что следует учитывать при покупке товара. Сфера применения — нефтегазовая отрасль и промышленность. Межфланцевая заглушка рассчитана на предельное давление в трубопроводе 6 гкс/см². Внешний диаметр данного обтюратора — 70 мм, масса — 0.512 кг. Удостоверьтесь, что показатели соответствуют вашей задаче.
Обтюратор — это два межфланцевых соединения (с отверстием для прохода среды и глухое), объединенные перемычкой с центральным отверстием под отжимной болт. При установке в положение «закрыто» крепеж заглушки ослабляют и размещают глухой фланец на место сквозного. После этой манипуляции крепеж снова фиксируют.
Чтобы заказать заглушку с диаметром 32 мм, свяжитесь с нами онлайн или позвоните. Мы производители арматуры и отправляем заказы во все регионы России.
