Артикул: 00000068114
59 979 руб.
II
Т-ММ-25-01-06
ОНИКС
685
134
677
6
4
5
385
678
110
36
602
590
36
34
шт
Да
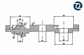
Когда возникает потребность временно отсечь часть трубопровода, используется заглушка поворотная из стали Ст.20. Она имеет только два режима работы: закрытый и открытый. Изделие соответствует стандарту Т-ММ-25-01-06, другое название детали — обтюратор. Арматура фиксируется между фланцами 600 с помощью шпилек или болтов и имеет исполнение II, что следует учитывать при покупке товара. Сфера применения — нефтегазовая отрасль и промышленность. Межфланцевая заглушка рассчитана на предельное давление в трубопроводе 16 гкс/см². Внешний диаметр данного обтюратора — 685 мм, масса — 134 кг. Удостоверьтесь, что показатели соответствуют вашей задаче.
Обтюратор — это два межфланцевых соединения (с отверстием для прохода среды и глухое), объединенные перемычкой с центральным отверстием под отжимной болт. При установке в положение «закрыто» крепеж заглушки ослабляют и размещают глухой фланец на место сквозного. После этой манипуляции крепеж снова фиксируют.
Чтобы заказать заглушку с диаметром 600 мм, свяжитесь с нами онлайн или позвоните. Мы производители арматуры и отправляем заказы во все регионы России.
