Артикул: 00000069088
2 760 руб.
63
III
Т-ММ-25-01-06
ОНИКС
158
4.8
128
149
129
4
3
100
150
70
15
94
26
шт
Да
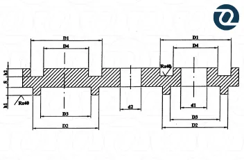
Когда возникает потребность временно отсечь часть трубопровода, используется заглушка поворотная из стали 09Г2С. Она имеет только два режима работы: закрытый и открытый. Изделие соответствует стандарту Т-ММ-25-01-06, другое название детали — обтюратор. Арматура фиксируется между фланцами 100 с помощью шпилек или болтов и имеет исполнение III, что следует учитывать при покупке товара. Сфера применения — нефтегазовая отрасль и промышленность. Межфланцевая заглушка рассчитана на предельное давление в трубопроводе 63 гкс/см². Внешний диаметр данного обтюратора — 158 мм, масса — 4.8 кг. Удостоверьтесь, что показатели соответствуют вашей задаче.
Обтюратор — это два межфланцевых соединения (с отверстием для прохода среды и глухое), объединенные перемычкой с центральным отверстием под отжимной болт. При установке в положение «закрыто» крепеж заглушки ослабляют и размещают глухой фланец на место сквозного. После этой манипуляции крепеж снова фиксируют.
Чтобы заказать заглушку с диаметром 100 мм, свяжитесь с нами онлайн или позвоните. Мы производители арматуры и отправляем заказы во все регионы России.
