Артикул: 00000070140
850 руб.
25
I
Т-ММ-25-01-06
ОНИКС
68
90
0.21
5
22
2
шт
Да
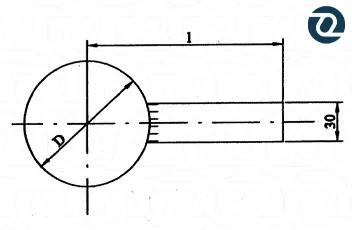
В трубопроводах для оперативного перекрытия рабочего потока применяют поворотные заглушки с рукояткой, имеющие исполнение I. Рукоятка длиной 90 см обеспечивает удобное и надежное управление. Вес данной заглушки — 0.21 кг. Обтюратор, в отличие от шарового крана и прочих разновидностей запорной арматуры, имеет простую конструкцию и максимально упрощает работу по обслуживанию трубопровода. Деталь выполнена из стали 09Г2С и состоит из глухого диска и перемычки, также называемой хвостиков. Имеет только одно рабочее положение — «закрыто». Монтируется заглушка между фланцами с диаметром 25 мм, с помощью болта или шпильки. Максимальное давление, при котором обтюратор сохраняет работоспособность, составляет 25 гкс/см².
Предлагаем приобрести заглушки с рукояткой внешним диаметром 68 мм и диаметром 25 мм со складов в Москве, Санкт-Петербурге и Екатеринбурге. Реализуем продукцию собственного производства без посредников, отправляем товар по РФ.
