Артикул: 00000070966
2 431 руб.
25
II
Т-ММ-25-01-06
ОНИКС
212
204
170
16
203
4
2
3
204
22
142
21
шт
Да
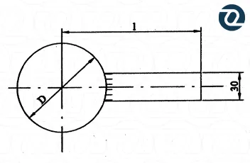
В трубопроводах для оперативного перекрытия рабочего потока применяют поворотные заглушки с рукояткой, имеющие исполнение II. Рукоятка длиной 170 см обеспечивает удобное и надежное управление. Вес данной заглушки — 16 кг. Обтюратор, в отличие от шарового крана и прочих разновидностей запорной арматуры, имеет простую конструкцию и максимально упрощает работу по обслуживанию трубопровода. Деталь выполнена из стали Ст.20 и состоит из глухого диска и перемычки, также называемой хвостиков. Имеет только одно рабочее положение — «закрыто». Монтируется заглушка между фланцами с диаметром 150 мм, с помощью болта или шпильки. Максимальное давление, при котором обтюратор сохраняет работоспособность, составляет 25 гкс/см².
Предлагаем приобрести заглушки с рукояткой внешним диаметром 212 мм и диаметром 150 мм со складов в Москве, Санкт-Петербурге и Екатеринбурге. Реализуем продукцию собственного производства без посредников, отправляем товар по РФ.
