Артикул: 00000071007
861 руб.
100
II
Т-ММ-25-01-06
ОНИКС
68
58
90
0.45
57
4
2
3
58
12
22
11
шт
Да
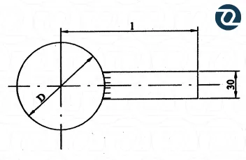
В трубопроводах для оперативного перекрытия рабочего потока применяют поворотные заглушки с рукояткой, имеющие исполнение II. Рукоятка длиной 90 см обеспечивает удобное и надежное управление. Вес данной заглушки — 0.45 кг. Обтюратор, в отличие от шарового крана и прочих разновидностей запорной арматуры, имеет простую конструкцию и максимально упрощает работу по обслуживанию трубопровода. Деталь выполнена из стали Ст.20 и состоит из глухого диска и перемычки, также называемой хвостиков. Имеет только одно рабочее положение — «закрыто». Монтируется заглушка между фланцами с диаметром 25 мм, с помощью болта или шпильки. Максимальное давление, при котором обтюратор сохраняет работоспособность, составляет 100 гкс/см².
Предлагаем приобрести заглушки с рукояткой внешним диаметром 68 мм и диаметром 25 мм со складов в Москве, Санкт-Петербурге и Екатеринбурге. Реализуем продукцию собственного производства без посредников, отправляем товар по РФ.
