Артикул: 00000070344
855 руб.
6
II
Т-ММ-25-01-06
ОНИКС
70
100
0.35
59
4
2
3
60
9
28
8
шт
Да
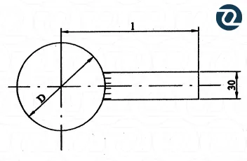
В трубопроводах для оперативного перекрытия рабочего потока применяют поворотные заглушки с рукояткой, имеющие исполнение II. Рукоятка длиной 100 см обеспечивает удобное и надежное управление. Вес данной заглушки — 0.35 кг. Обтюратор, в отличие от шарового крана и прочих разновидностей запорной арматуры, имеет простую конструкцию и максимально упрощает работу по обслуживанию трубопровода. Деталь выполнена из стали 09Г2С и состоит из глухого диска и перемычки, также называемой хвостиков. Имеет только одно рабочее положение — «закрыто». Монтируется заглушка между фланцами с диаметром 32 мм, с помощью болта или шпильки. Максимальное давление, при котором обтюратор сохраняет работоспособность, составляет 6 гкс/см².
Предлагаем приобрести заглушки с рукояткой внешним диаметром 70 мм и диаметром 32 мм со складов в Москве, Санкт-Петербурге и Екатеринбурге. Реализуем продукцию собственного производства без посредников, отправляем товар по РФ.
