Артикул: 00000070694
1 056 руб.
100
III
Т-ММ-25-01-06
ОНИКС
102
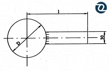
110
1.159
72
87
73
4
3
88
17
шт
Да
В трубопроводах для оперативного перекрытия рабочего потока применяют поворотные заглушки с рукояткой, имеющие исполнение III. Рукоятка длиной 110 см обеспечивает удобное и надежное управление. Вес данной заглушки — 1.159 кг. Обтюратор, в отличие от шарового крана и прочих разновидностей запорной арматуры, имеет простую конструкцию и максимально упрощает работу по обслуживанию трубопровода. Деталь выполнена из стали 09Г2С и состоит из глухого диска и перемычки, также называемой хвостиков. Имеет только одно рабочее положение — «закрыто». Монтируется заглушка между фланцами с диаметром 50 мм, с помощью болта или шпильки. Максимальное давление, при котором обтюратор сохраняет работоспособность, составляет 100 гкс/см².
Предлагаем приобрести заглушки с рукояткой внешним диаметром 102 мм и диаметром 50 мм со складов в Москве, Санкт-Петербурге и Екатеринбурге. Реализуем продукцию собственного производства без посредников, отправляем товар по РФ.
