Артикул: 00000095656
855 руб.
свободный
1
IV
75
М10
фланец без кольца
4
0.29
50
09Г2С
1
16
35
15
10
8
4
2
шт
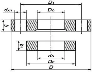
свободный фланец из стали 09Г2С, изготовленный по ГОСТу в исполнении . Номинальный диаметр фланца — 10 мм. Номинальное рабочее давление — 1 кгс/см².
Благодаря болтовому креплению, фланцы позволяют проводить многократный монтаж и демонтаж соединенных ими элементов трубопроводной системы — это выгодно отличает фланцевое соединение от сварки.
Различные виды фланцев широко применяются в промышленности и инженерных системах ЖКХ: служат соединительными деталями в узлах присоединения к трубам трубопроводной арматуры, промышленного оборудования и датчиков КИП, соединяют между собой участки трубопроводов и так далее.
У нас вы можете купить фланцы по выгодной цене, поскольку мы сами являемся производителем, а не посредником. Организуем поставки по всей России, со складов в Москве, Санкт-Петербурге и Екатеринбурге.
