Артикул: 00000095882
3 748 руб.
свободный
IV
145
М18
фланец без кольца
4
2.35
110
12Х18Н10Т
1
48
88
46
22
18
5
3
шт
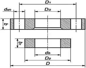
свободный фланец из стали 12Х18Н10Т, изготовленный по ГОСТу в исполнении . Номинальный диаметр фланца — 40 мм. Номинальное рабочее давление — 25 кгс/см².
Благодаря болтовому креплению, фланцы позволяют проводить многократный монтаж и демонтаж соединенных ими элементов трубопроводной системы — это выгодно отличает фланцевое соединение от сварки.
Различные виды фланцев широко применяются в промышленности и инженерных системах ЖКХ: служат соединительными деталями в узлах присоединения к трубам трубопроводной арматуры, промышленного оборудования и датчиков КИП, соединяют между собой участки трубопроводов и так далее.
У нас вы можете купить фланцы по выгодной цене, поскольку мы сами являемся производителем, а не посредником. Организуем поставки по всей России, со складов в Москве, Санкт-Петербурге и Екатеринбурге.
