Артикул: 00000074674
1000
6.3
B
12Х18Н10Т
ГОСТ 34785-2021
ОНИКС
5
30
1175
28
1120
391
1080
980
48
44
1
шт
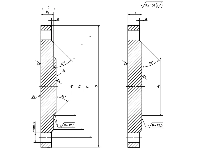
Фланцевая заглушка по ГОСТ 34785-21 в исполнении B применяется для герметичного отсечения участков труб и резервуаров. Деталь имеет форму диска с диаметром 1000 мм и отверстиями под крепежные элементы (болты, шпильки). Размер резьбового крепежа определяют по диаметру болтового отверстия (указан в описании товара).
Заглушка рассчитана на эксплуатацию в системах с давлением 6.3 кгс/см2. Заглушка выполнена согласно действующим стандартам из стали 12Х18Н10Т. Склады компании располагаются в Москве, Санкт-Петербурге и Екатеринбурге. Закажите товар от производителя с доставкой в любой регион России.
