Артикул: 00000073174
1 864 руб.
125
6.3
B
09Г2С
ГОСТ 34785-2021
ОНИКС
3
18
235
8
200
6
178
118
16
14
1
шт
Да
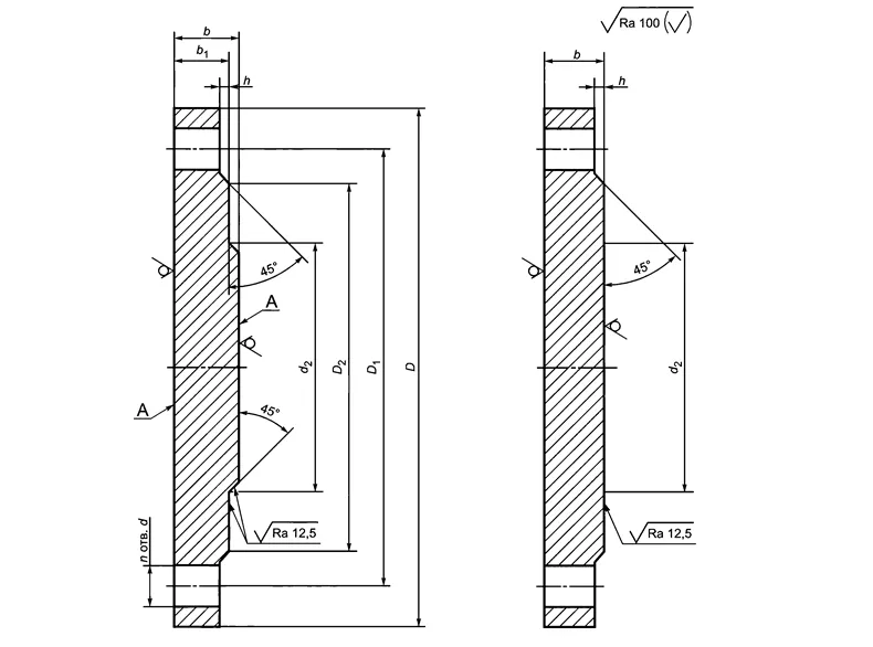
Фланцевая заглушка по ГОСТ 34785-21 в исполнении B применяется для герметичного отсечения участков труб и резервуаров. Деталь имеет форму диска с диаметром 125 мм и отверстиями под крепежные элементы (болты, шпильки). Размер резьбового крепежа определяют по диаметру болтового отверстия (указан в описании товара).
Заглушка рассчитана на эксплуатацию в системах с давлением 6.3 кгс/см2. Заглушка выполнена согласно действующим стандартам из стали 09Г2С. Склады компании располагаются в Москве, Санкт-Петербурге и Екатеринбурге. Закажите товар от производителя с доставкой в любой регион России.
