Артикул: 00000073437
1 598 руб.
65
40
M
Ст.20
IV
ГОСТ 34785-2021
ОНИКС
180
8
4.3
94
110
3
4
145
60
18
3
20
18
1
шт
Да
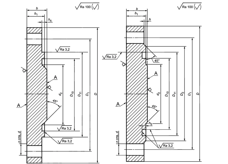
Фланцевая заглушка по ГОСТ 34785-21 в исполнении M применяется для герметичного отсечения участков труб и резервуаров. Деталь имеет форму диска с диаметром 65 мм и отверстиями под крепежные элементы (болты, шпильки). Размер резьбового крепежа определяют по диаметру болтового отверстия (указан в описании товара).
Заглушка рассчитана на эксплуатацию в системах с давлением 40 кгс/см2. Заглушка выполнена согласно действующим стандартам из стали Ст.20. Склады компании располагаются в Москве, Санкт-Петербурге и Екатеринбурге. Закажите товар от производителя с доставкой в любой регион России.
