Артикул: 00000074485
3 523 руб.
65
6.3
C
12Х18Н10Т
IV
ГОСТ 34785-2021
ОНИКС
160
4
2.4
100
4
130
60
14
86
14
13
1
шт
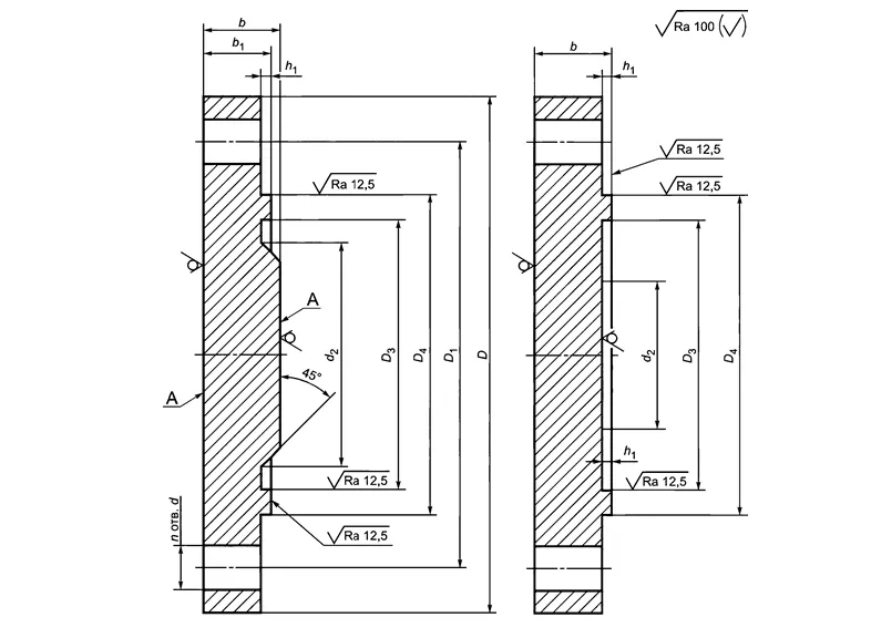
Фланцевая заглушка по ГОСТ 34785-21 в исполнении C применяется для герметичного отсечения участков труб и резервуаров. Деталь имеет форму диска с диаметром 65 мм и отверстиями под крепежные элементы (болты, шпильки). Размер резьбового крепежа определяют по диаметру болтового отверстия (указан в описании товара).
Заглушка рассчитана на эксплуатацию в системах с давлением 6.3 кгс/см2. Заглушка выполнена согласно действующим стандартам из стали 12Х18Н10Т. Склады компании располагаются в Москве, Санкт-Петербурге и Екатеринбурге. Закажите товар от производителя с доставкой в любой регион России.
