Артикул: 00000095913
свободный
1
IV
260
М16
фланец без кольца
8
3.94
225
12Х18Н10Т
1
157
202
154
16
16
6
4
шт
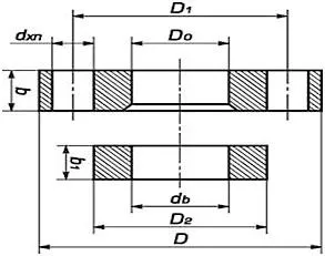
свободный фланец из стали 12Х18Н10Т, изготовленный по ГОСТу в исполнении . Номинальный диаметр фланца — 150 мм. Номинальное рабочее давление — 1 кгс/см².
Благодаря болтовому креплению, фланцы позволяют проводить многократный монтаж и демонтаж соединенных ими элементов трубопроводной системы — это выгодно отличает фланцевое соединение от сварки.
Различные виды фланцев широко применяются в промышленности и инженерных системах ЖКХ: служат соединительными деталями в узлах присоединения к трубам трубопроводной арматуры, промышленного оборудования и датчиков КИП, соединяют между собой участки трубопроводов и так далее.
У нас вы можете купить фланцы по выгодной цене, поскольку мы сами являемся производителем, а не посредником. Организуем поставки по всей России, со складов в Москве, Санкт-Петербурге и Екатеринбурге.
