Артикул: 00000100230
1 219 руб.
IV
кольцо
2
шт
Да
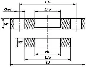
свободный фланец из стали Ст.20, изготовленный по ГОСТу в исполнении B. Номинальный диаметр фланца — 100 мм. Номинальное рабочее давление — 10 кгс/см².
Благодаря болтовому креплению, фланцы позволяют проводить многократный монтаж и демонтаж соединенных ими элементов трубопроводной системы — это выгодно отличает фланцевое соединение от сварки.
Различные виды фланцев широко применяются в промышленности и инженерных системах ЖКХ: служат соединительными деталями в узлах присоединения к трубам трубопроводной арматуры, промышленного оборудования и датчиков КИП, соединяют между собой участки трубопроводов и так далее.
У нас вы можете купить фланцы по выгодной цене, поскольку мы сами являемся производителем, а не посредником. Организуем поставки по всей России, со складов в Москве, Санкт-Петербурге и Екатеринбурге.
