Артикул: 00000071820
2 436 руб.
100
25
B
09Г2С
IV
34785-2021
3
230
8
190
6
158
94
22
22
20
1
шт
Да
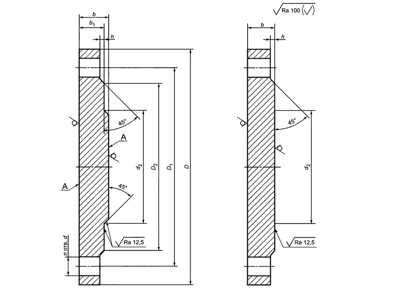
Фланцевая заглушка по ГОСТ 34785-21 в исполнении B применяется для герметичного отсечения участков труб и резервуаров. Деталь имеет форму диска с диаметром 100 мм и отверстиями под крепежные элементы (болты, шпильки). Размер резьбового крепежа определяют по диаметру болтового отверстия (указан в описании товара).
Заглушка рассчитана на эксплуатацию в системах с давлением 25 кгс/см2. Заглушка выполнена согласно действующим стандартам из стали 09Г2С. Склады компании располагаются в Москве, Санкт-Петербурге и Екатеринбурге. Закажите товар от производителя с доставкой в любой регион России.
