Артикул: 00000072547
3 489 руб.
В наличии на складах:Санкт-Петербург, ул. Домостроительная, д.3 Д
0 штМосква, Балашиха, Косинское ш., вл3с5
0 штЕкатеринбург, ул. Ереванская, д.6
4 шт100
40
F
09Г2С
IV
ГОСТ 34785-2021
ОНИКС
230
94
8
6
150
150
3
3
190
158
22
158
3
22
3
1
шт
Да
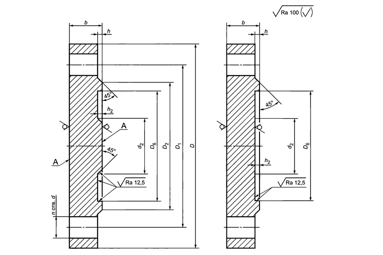
Фланцевая заглушка по ГОСТ 34785-21 в исполнении F применяется для герметичного отсечения участков труб и резервуаров. Деталь имеет форму диска с диаметром 100 мм и отверстиями под крепежные элементы (болты, шпильки). Размер резьбового крепежа определяют по диаметру болтового отверстия (указан в описании товара).
Заглушка рассчитана на эксплуатацию в системах с давлением 40 кгс/см2. Заглушка выполнена согласно действующим стандартам из стали 09Г2С. Склады компании располагаются в Москве, Санкт-Петербурге и Екатеринбурге. Закажите товар от производителя с доставкой в любой регион России.
