Артикул: 00000074234
400
10
M
12Х18Н10Т
IV
ГОСТ 34785-2021
ОНИКС
565
16
46
446
474
5
6
515
390
26
4
26
23
1
шт
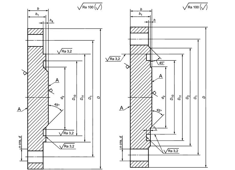
Фланцевая заглушка по ГОСТ 34785-21 в исполнении M применяется для герметичного отсечения участков труб и резервуаров. Деталь имеет форму диска с диаметром 400 мм и отверстиями под крепежные элементы (болты, шпильки). Размер резьбового крепежа определяют по диаметру болтового отверстия (указан в описании товара).
Заглушка рассчитана на эксплуатацию в системах с давлением 10 кгс/см2. Заглушка выполнена согласно действующим стандартам из стали 12Х18Н10Т. Склады компании располагаются в Москве, Санкт-Петербурге и Екатеринбурге. Закажите товар от производителя с доставкой в любой регион России.
