Артикул: 00000072988
72 945 руб.
Под изготовление до 3-х недель400
40
C
09Г2С
IV
34785-2021
655
16
585
145
473
447
5
390
39
58
55
1
шт
Да
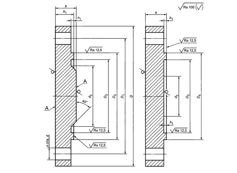
Фланцевая заглушка по ГОСТ 34785-21 в исполнении C применяется для герметичного отсечения участков труб и резервуаров. Деталь имеет форму диска с диаметром 400 мм и отверстиями под крепежные элементы (болты, шпильки). Размер резьбового крепежа определяют по диаметру болтового отверстия (указан в описании товара).
Заглушка рассчитана на эксплуатацию в системах с давлением 40 кгс/см2. Заглушка выполнена согласно действующим стандартам из стали 09Г2С. Склады компании располагаются в Москве, Санкт-Петербурге и Екатеринбурге. Закажите товар от производителя с доставкой в любой регион России.
