Артикул: 00000072867
18 546 руб.
400
16
L
09Г2С
IV
ГОСТ 34785-2021
ОНИКС
580
16
61.5
390
446
474
6
525
30
32
29
1
шт
Да
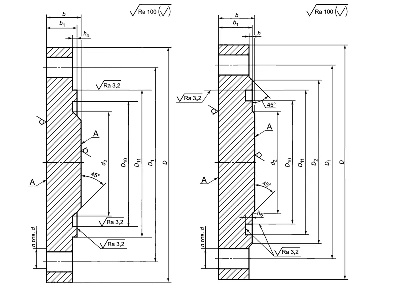
Фланцевая заглушка по ГОСТ 34785-21 в исполнении L применяется для герметичного отсечения участков труб и резервуаров. Деталь имеет форму диска с диаметром 400 мм и отверстиями под крепежные элементы (болты, шпильки). Размер резьбового крепежа определяют по диаметру болтового отверстия (указан в описании товара).
Заглушка рассчитана на эксплуатацию в системах с давлением 16 кгс/см2. Заглушка выполнена согласно действующим стандартам из стали 09Г2С. Склады компании располагаются в Москве, Санкт-Петербурге и Екатеринбурге. Закажите товар от производителя с доставкой в любой регион России.
