Артикул: 00000074718
400
25
L
12Х18Н10Т
IV
ГОСТ 34785-2021
ОНИКС
610
16
92
390
446
474
6
550
33
43
40
1
шт
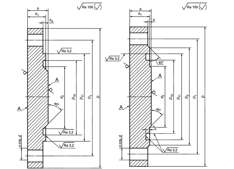
Фланцевая заглушка по ГОСТ 34785-21 в исполнении L применяется для герметичного отсечения участков труб и резервуаров. Деталь имеет форму диска с диаметром 400 мм и отверстиями под крепежные элементы (болты, шпильки). Размер резьбового крепежа определяют по диаметру болтового отверстия (указан в описании товара).
Заглушка рассчитана на эксплуатацию в системах с давлением 25 кгс/см2. Заглушка выполнена согласно действующим стандартам из стали 12Х18Н10Т. Склады компании располагаются в Москве, Санкт-Петербурге и Екатеринбурге. Закажите товар от производителя с доставкой в любой регион России.
