Артикул: 00000073952
43 369 руб.
400
40
B
Ст.20
ГОСТ 34785-2021
ОНИКС
4
39
655
16
585
145
535
390
60
57
1
шт
Да
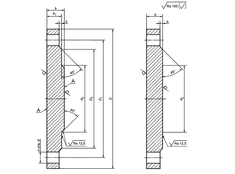
Фланцевая заглушка по ГОСТ 34785-21 в исполнении B применяется для герметичного отсечения участков труб и резервуаров. Деталь имеет форму диска с диаметром 400 мм и отверстиями под крепежные элементы (болты, шпильки). Размер резьбового крепежа определяют по диаметру болтового отверстия (указан в описании товара).
Заглушка рассчитана на эксплуатацию в системах с давлением 40 кгс/см2. Заглушка выполнена согласно действующим стандартам из стали Ст.20. Склады компании располагаются в Москве, Санкт-Петербурге и Екатеринбурге. Закажите товар от производителя с доставкой в любой регион России.
